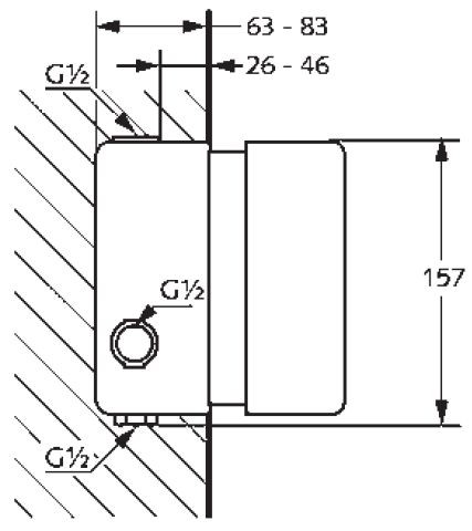
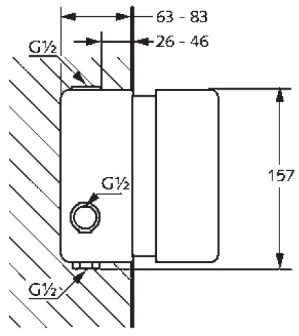
Termostat
element podtynkowy do baterii
z termostatem DN 15
zestaw elementów wewnętrznych
bez natynkowych elementów wykończeniowych
montaż ścienny
klasa przepływu B
głowica termostatyczna Therm-E
z zaworem odcinającym
sitko wychwytujące zanieczyszczenia
I grupa akustyczna
Oceń by pomóc innym klientom w podjęciu właściwego wyboru
Brak produktów z tej serii
Kludi-Armaturen Sp. z o.o.
ul. F. Kremsera 1,
45-533 Opole
tel:+48 77 456 40 84
kontakt@kludi.com
Jesteśmy do Państwa dyspozycji Chętnie doradzimy i pomożemy wybrać odpowiednie produkty.
Oferujemy mega atrakcyjne ceny wszystkich znanych marek. Kupisz wszystko w jednym miejscu.
Wszystkie popularne produkty dostępne w ciągu 24h.
Jesteśmy firmą rodzinną. Nasz sklep rozwijamy od 2008 roku. Dbamy o naszych klientów, cieszymy się gdy wracają.





