Do kompletowania z wsponikami 111.815.00.1
Zastosowanie
Do montażu w ściance systemu Duofix o wysokości pomieszczenia
Do montażu w ścianie z płyty gipsowej o wysokości pomieszczenia
Do montażu w częściowej ściance systemu Duofix przed ścianą pełną lub ścianą z płyty gipsowej
Do montażu przed ścianą pełną lub ścianą z płyty gipsowej
Do montażu w instalacji naściennej częściowej lub o wysokości pomieszczenia przed ścianą pełną lub ścianą z płyty gipsowej
Do montażu przed ścianą pełną lub ścianą z płyty gipsowej
Do podtynkowych zaworów spłukujących
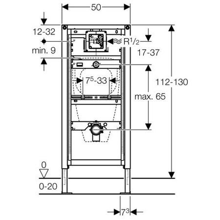
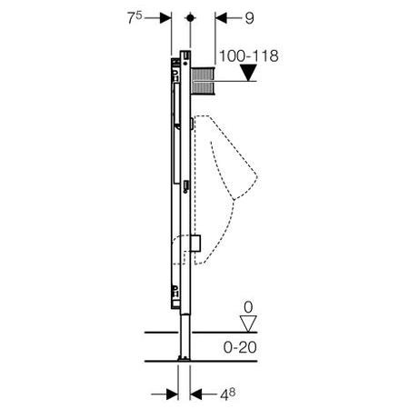
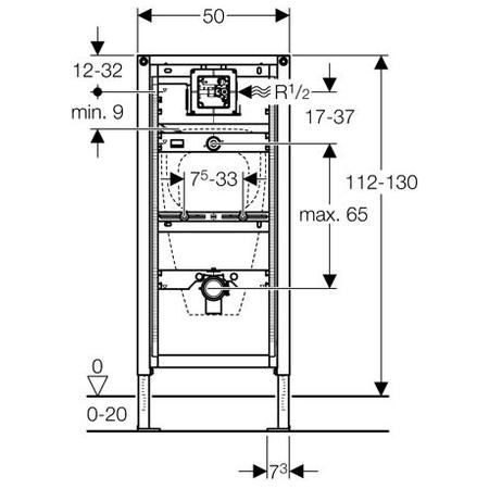
Do montażu na podłożu o grubości warstw podłogi 0 - 20 cm
Do mocowania urządzeń sterujących na podczerwień lub pneumatycznych z płytką o wielkości 13 x 13 cm
Charakterystyka
Rama z otworami ø 9 mm do zamocowania w drewnianej ścianie szkieletowej
Nogi ocynkowane, regulowane płynnie w zakresie od 0 - 20 cm
Samonośny
Rama o profilu C 4x4 cm
Rama malowana proszkowo, niebieski ultramaryna
Nóżki regulowane o 5 cm
Obrotowa płyta pod nogę, do montażu w profilach UW50 i UW75
Wysokość zabudowy 112 - 130 cm, w zależności od rodzaju pisuaru
Przyłącze wody 1/2", typu MeplaFix
Przyłącze wody montowane bez użycia narzędzi
Przyłącze wody z uszczelnieniem radialnym
Zawór odcinający z dławikiem, zamontowany
Zamontowana rura osłonowa do płukania przewodu
Zacisk przyłącza elektrycznego na wyposażeniu
Obudowa ochronna zabezpiecza otwór serwisowy przez wilgocią i zabrudzeniem
Obudowa ochronna otworu serwisowego z możliwością przycięcia
Elastyczny wężyk łączący zawór z króćcem dopływowym
Wlot wody ø 32 mm z możliwością regulacji wysokości
Mocowanie pisuaru za pomocą gwintowanego pręta M8, z możliwością regulacji wysokości
Mocowanie kolana odpływowego izolowane akustycznie z możliwością regulacji wysokości
Samohamujące nóżki, do wyrównywania elementu bez użycia narzędzi
Możliwe jest dodatkowe zamocowanie pisuaru z akcesoriami
Montaż pisuarów z głowicą zraszającą po zastosowaniu dodatkowych akcesoriów
Dane techniczne
Przepływ / 1 bar bez ogranicznika przepływu 0,3 l/s
Przepływ / 1 bar z ogranicznikiem przepływu 0,24 l/s
Względna wilgotność powierza < 100 %
Ciśnienie robocze 1-8 bar
Maksymalne ciśnienie próbne wody 16 bar
Maksymalne ciśnienie próbne powietrza/gazu obojętnego 3 bar
Maksymalna temperatura robocza wody 30 °C
Zakres dostawy
Obudowa podtynkowa, zawór odcinający z dławikiem, rura osłonowa i zacisk przyłącza elektrycznego
Obudowa ochronna z pokrywą
Przyłącze wody Rp1/2"
Rura łącząca pomiędzy wlewem ø 32 cm a pisuarem, wraz z uszczelką pisuaru
Syfon odsysający ø 50 mm, wraz z uszczelką pisuaru
Kolano odpływowe PE-HD, redukcja z ø 63/57 mm na ø 50/44 mm, wraz z uszczelką syfonu odsysającego
2 pręty gwintowane M8 do zamocowania pisuaru
Materiał mocujący
Nie zawiera:
Układ sterujący pisuarem
| szerokość w cm | 50 |
|---|---|
| wysokość w cm | 112-130 |
| zabudowa | lekka |
| przeznaczenie | do pisuaru |
Oceń by pomóc innym klientom w podjęciu właściwego wyboru
1 089,00 zł
899,00 zł
1 089,00 zł
Geberit to określenie znane i często używanie, nie tylko w odniesieniu do wyrobów szwajcarskiego przedsiębiorstwa specjalizującego się w produkcji technologii sanitarnych. Wszystko za sprawą koronnego produktu marki – systemów toalet wiszących z zabudową podtynkową, które obecnie dostępne są również w asortymencie innych producentów, a zwyczajowo określane mianem geberitów. Geberit to marka obecna na międzynarodowym rynku systemów sanitarnych nieprzerwanie od 1874 roku. Początkowo firma zajmowała się wyłącznie produkcją spłuczek. Z czasem poszerzyła swój asortyment. Dzisiaj Geberit to znany i ceniony producent wysokiej jakości technologii sanitarnej – spłuczek, stelaży do WC, umywalek oraz bidetów.
Na polskim rynku rozwiązania marki Geberit są szczególnie cenione ze względu na szwajcarską precyzję. I rzeczywiście, produkty Geberit odznaczają się najwyższą jakością, precyzją wykonania oraz dbałością o wszystkie detale. Precyzja marki znajduje odzwierciedlenie w szczególności w przyciskach do stelaży WC, które łączą wysoką estetykę wykonania z funkcjonalnością i niezawodnością systemu spłukiwania.
Geberit to wiodący producent stelaży WC oraz akcesoriów do systemów toalet wiszących ze spłuczkami podtynkowymi. Ze względu na system montażowy większość niezawodnego stelażu Geberit jest niewidoczna dla oka. Mimo to jakość oraz ekskluzywność marki możemy rozpoznać zaraz po wejściu do toalety. A wszystko za sprawą szerokiego wachlarza przycisków do stelaży, które odznaczają się eleganckim designem oraz wysoką jakością wykonania. Przyciski do stelaży WC są dostępne w szerokiej gamie kolorystycznej i stylistycznej, stanowiąc subtelną dekorację toalety.
Marka Geberit zajmuje ważne miejsce w asortymencie naszego sklepu. Oferujemy Państwu przede wszystkim funkcjonalne i niezawodne stelaże WC oraz przyciski do stelaży. Posiadamy szeroki wybór eleganckich i niezawodnych rozwiązań, dzięki którym nawet najbardziej ascetyczne wnętrze zyskuje charakter i staje się bardziej ekskluzywne. W stałej sprzedaży oferujemy także inne wybory technologii sanitarnej Geberit.
Geberit Sp. z o. o.
ul. Postępu 1
02-676 Warszawa
Recepcja: +48 22 376 01 02
Infolinia dla klientów indywidualnych: +48 801 17 17 17
Jesteśmy do Państwa dyspozycji Chętnie doradzimy i pomożemy wybrać odpowiednie produkty.
Oferujemy mega atrakcyjne ceny wszystkich znanych marek. Kupisz wszystko w jednym miejscu.
Wszystkie popularne produkty dostępne w ciągu 24h.
Jesteśmy firmą rodzinną. Nasz sklep rozwijamy od 2008 roku. Dbamy o naszych klientów, cieszymy się gdy wracają.






