SPRZEDAJEMY TYLKO W KOMPLETACH ZE WSPORNIKAMI KONIECZNYMI DO MONTAŻU !!!
Zastosowanie
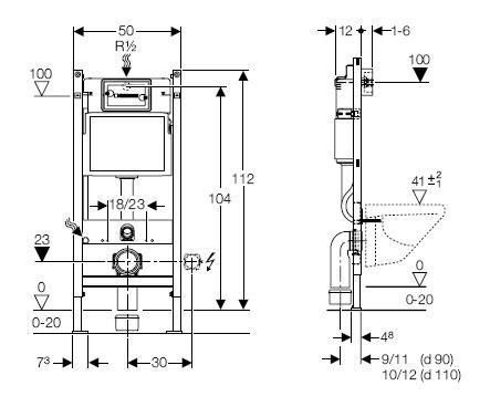
Do montażu w ścianie pełnej lub ścianie z płyty gipsowej, częściowej lub o wysokości pomieszczenia
Do miski wiszącej o rozstawie otworów 18 cm lub 23 cm
Do montażu na podłożu o grubości warstw podłogi 0 - 20 cm
Uruchamianie przez naciśnięcie od przodu
Spłuczka uruchamiana od przodu przyciskami Delta
Nie nadaje się do osadzenia w betonie
Charakterystyka
Spłuczka podtynkowa DELTA (UP100) uruchamiana z przodu
Spłuczka podtynkowa z izolacją przeciwroszeniową
Możliwość ustawienia ilości wody spłukującej
Możliwość ustawienia na stałe mniejszej ilości wody w spłuczce
Przy ustawieniach fabrycznych ponowne spłukiwanie możliwe natychmiast
Przyłącze wody na środku z tyłu/u góry
Ręcznie przykręcany wężyk łączący z zaworem kątowym
Funkcja "stop" z przyciskiem uruchamiającym Delta15, Delta11, Delta40
Spłuczka z dwudzielnym przyciskiem uruchamiającym Delta20, Delta21 i Delta51
Rama malowana proszkowo, niebieski ultramaryna
Samonośny
Rama z otworami ø 9 mm do zamocowania w drewnianej ścianie szkieletowej
Nogi ocynkowane, regulowane płynnie w zakresie od 0 - 20 cm
Płyta podłogowa, szerokość pasująca do montażu w profilu UW50
Głębokość zabudowy 12 cm
Dane techniczne
Ustawienie fabryczne ilości wody do spłukiwania 6 i 3,5 l
Zakres ustawień dla spłukiwania z dużą ilością wody 4,5 / 6 / 7,5 l
Zakres dostawy
2 pręty gwintowane M12 do zamocowania ceramiki
Zawór spłuczki do ustawienia 2 zakresów ilości spłukiwania
Styropianowa obudowa ochronna otworu serwisowego
2 zaślepki ochronne
Zawór kątowy R 1/2" i adapter wtykowy
Mocowanie odpływu
Zestaw uszczelek ø 90 mm
Kolano odpływowe toalety, PE-HD, ø 90/90 mm
Złączka przejściowa ø 90/110 mm
Materiał mocujący
Nie zawiera:
Przycisk uruchamiający
Do kompletowania z zestawem do montażu przyściennego 111.813.00.1 oraz przyciskami UP100.
| szerokość w cm | 50 |
|---|---|
| wysokość w cm | 112 |
| zabudowa | lekka |
| przeznaczenie | do WC |
Oceń by pomóc innym klientom w podjęciu właściwego wyboru
379,00 zł
Geberit to określenie znane i często używanie, nie tylko w odniesieniu do wyrobów szwajcarskiego przedsiębiorstwa specjalizującego się w produkcji technologii sanitarnych. Wszystko za sprawą koronnego produktu marki – systemów toalet wiszących z zabudową podtynkową, które obecnie dostępne są również w asortymencie innych producentów, a zwyczajowo określane mianem geberitów. Geberit to marka obecna na międzynarodowym rynku systemów sanitarnych nieprzerwanie od 1874 roku. Początkowo firma zajmowała się wyłącznie produkcją spłuczek. Z czasem poszerzyła swój asortyment. Dzisiaj Geberit to znany i ceniony producent wysokiej jakości technologii sanitarnej – spłuczek, stelaży do WC, umywalek oraz bidetów.
Na polskim rynku rozwiązania marki Geberit są szczególnie cenione ze względu na szwajcarską precyzję. I rzeczywiście, produkty Geberit odznaczają się najwyższą jakością, precyzją wykonania oraz dbałością o wszystkie detale. Precyzja marki znajduje odzwierciedlenie w szczególności w przyciskach do stelaży WC, które łączą wysoką estetykę wykonania z funkcjonalnością i niezawodnością systemu spłukiwania.
Geberit to wiodący producent stelaży WC oraz akcesoriów do systemów toalet wiszących ze spłuczkami podtynkowymi. Ze względu na system montażowy większość niezawodnego stelażu Geberit jest niewidoczna dla oka. Mimo to jakość oraz ekskluzywność marki możemy rozpoznać zaraz po wejściu do toalety. A wszystko za sprawą szerokiego wachlarza przycisków do stelaży, które odznaczają się eleganckim designem oraz wysoką jakością wykonania. Przyciski do stelaży WC są dostępne w szerokiej gamie kolorystycznej i stylistycznej, stanowiąc subtelną dekorację toalety.
Marka Geberit zajmuje ważne miejsce w asortymencie naszego sklepu. Oferujemy Państwu przede wszystkim funkcjonalne i niezawodne stelaże WC oraz przyciski do stelaży. Posiadamy szeroki wybór eleganckich i niezawodnych rozwiązań, dzięki którym nawet najbardziej ascetyczne wnętrze zyskuje charakter i staje się bardziej ekskluzywne. W stałej sprzedaży oferujemy także inne wybory technologii sanitarnej Geberit.
Geberit Sp. z o. o.
ul. Postępu 1
02-676 Warszawa
Recepcja: +48 22 376 01 02
Infolinia dla klientów indywidualnych: +48 801 17 17 17
Jesteśmy do Państwa dyspozycji Chętnie doradzimy i pomożemy wybrać odpowiednie produkty.
Oferujemy mega atrakcyjne ceny wszystkich znanych marek. Kupisz wszystko w jednym miejscu.
Wszystkie popularne produkty dostępne w ciągu 24h.
Jesteśmy firmą rodzinną. Nasz sklep rozwijamy od 2008 roku. Dbamy o naszych klientów, cieszymy się gdy wracają.





