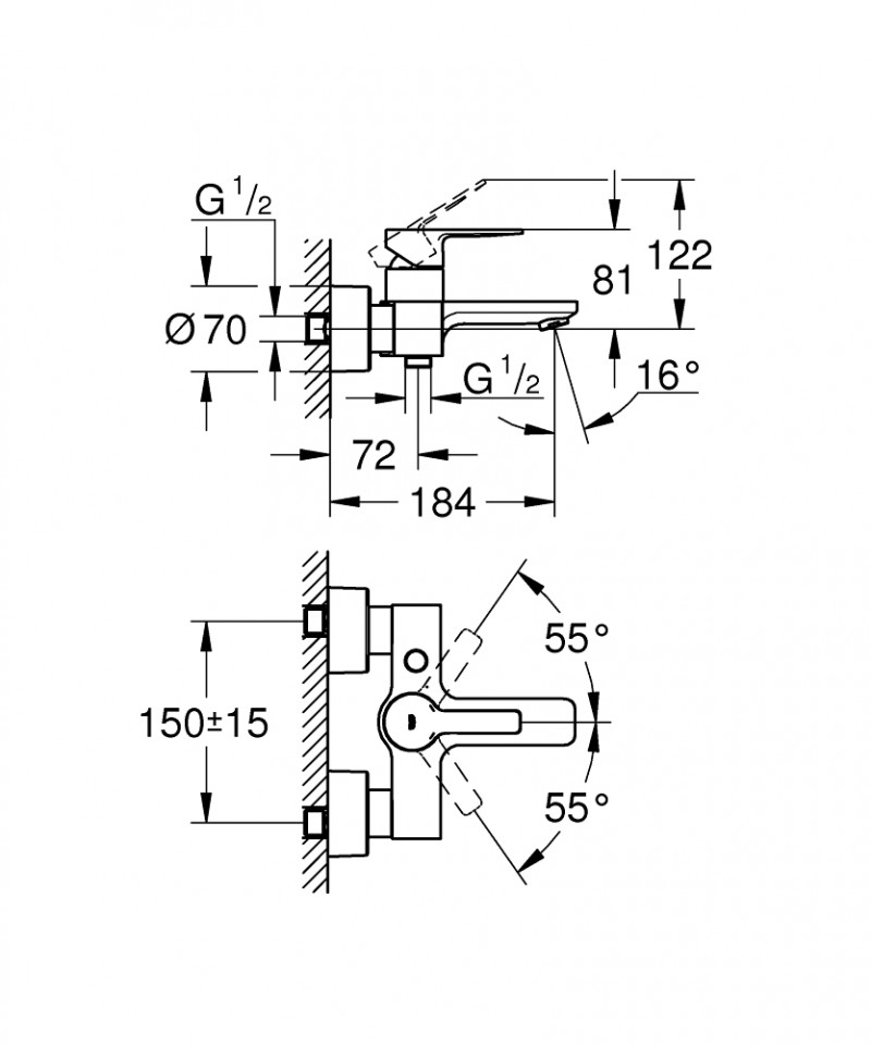
GROHE LINEARE jednouchwytowa bateria wannowa
Kolekcja Lineare utrzymana jest w minimalistycznym, choć niezwykle atrakcyjnym stylu o kosmopolitycznym charakterze. Nowy design baterii pozwolił zmieścić niezmiennie wysoką funkcjonalność w jak najsmuklejszej z możliwych form. Linię tę wyróżnia idealne dopasowanie dwóch prostych, geometrycznych struktur: cylindrycznego korpusu oraz prostokątnej formy dźwigni i wylewki, które razem tworzą harmonijną kompozycję.
Ważne ! Baterie w wykończeniach specjalnych produkowane są na indywidualne zamówienie klienta.
Prosimy o kontakt w kwestii ustalenia terminu realizacji przed złożeniem zamówienia.
| przeznaczenie | wanna |
|---|---|
| kolor | grafit szczotkowany |
| typ | jednouchwytowa mieszacz |
| montaż | natynkowa |
| rodzaj wylewki | perlator |
| korek |
Oceń by pomóc innym klientom w podjęciu właściwego wyboru
GROHE to znany i ceniony na rynku światowym producent armatury sanitarnej. Marka zyskała uznanie przede wszystkim dzięki wprowadzaniu na rynek produktów innowacyjnych. Nowoczesne technologie, niestandardowe rozwiązania oraz niezmiennie wysoka jakość wyrobów sprawiły, że armatura sanitarna GROHE jest w stanie sprostać najbardziej bezkompromisowym wymaganiom z zakresu jakości wykonania, funkcjonalności i trwałości.
W asortymencie marki znajdziemy baterie umywalkowe i wannowe, prysznice, WC i rozwiązania sanitarne, akcesoria łazienkowe oraz ceramikę. Obok ponadczasowych i uniwersalnych systemów GROHE oferuje swoim Klientom rozwiązania doskonale dopasowane do bieżących standardów i obowiązujących trendów. W rezultacie produkty GROHE znajdują szerokie zastosowanie zarówno w przestrzeniach mieszkalnych, jak i użytkowych oraz komercyjnych. Chętnie sięgają po nie właściciele pensjonatów i hoteli, restauracji oraz salonów urody i odnowy biologicznej.
Jednym z kluczowych produktów marki są baterie. GROHE oferuje nam baterie łazienkowe i kuchenne, jak również zestawy prysznicowe. W asortymencie nie brakuje rozwiązań o zróżnicowanej kolorystyce i wykończeniu, dzięki czemu baterie GROHE jeszcze lepiej komponują się w aranżacjach skoncentrowanych na jakości detali. Wysoka jakość wykończenia sprawia, że wszystkie oferowane baterie odznaczają się elegancją i estetyką, są trwałe i odporne na uszkodzenia, nie tracą koloru, nie rysują się, nie tracą połysku.
Baterie kuchenne i łazienkowe GROHE są dostępne w ramach wielu systemów montażowych. Marka oferuje Klientom zarówno baterie natynkowe, jak i zestawy podtynkowe. W asortymencie nie brakuje również rozwiązań nablatowych oraz baterii przeznaczonych do montażu na umywalce.
Starając się dostarczać Klientom rozwiązania najwyższej jakości nieustannie wzbogacamy asortyment o nowe, innowacyjne produkty marki GROHE. Ich wybór to gwarancja jakości, funkcjonalności oraz estetyki w każdych warunkach.
Grohe Polska Sp. z o.o.
ul. Puławska 182
02-670 Warszawa
Polska
Telefon: +48 (0) 22 / 54 32 640
Fax: +48 (0) 22 / 54 32 650
E-Mail: biuro@grohe.com
Jesteśmy do Państwa dyspozycji Chętnie doradzimy i pomożemy wybrać odpowiednie produkty.
Oferujemy mega atrakcyjne ceny wszystkich znanych marek. Kupisz wszystko w jednym miejscu.
Wszystkie popularne produkty dostępne w ciągu 24h.
Jesteśmy firmą rodzinną. Nasz sklep rozwijamy od 2008 roku. Dbamy o naszych klientów, cieszymy się gdy wracają.





